
超高分辨率
(0.6 nm@15 kV)

高压隧道技术

*双减速模式(Dul-Dec)

机械优中心样品台

*快速换样仓(最大8寸)
产品优势
超高分辨率成像,达到了突破性的0.6 nm@15 kV和1.0 nm@1 kV
样品台减速和高压隧道技术组合的双减速技术,挑战极限样品拍摄场景
高精度机械优中心样品台、超稳定性的机架减震设计,可搭配整体罩壳设计,极大减弱环境对极限分辨率的影响
最大支持8寸晶圆(最大直径208 mm)的快速换样仓,满足半导体和科研应用需求
应用案例

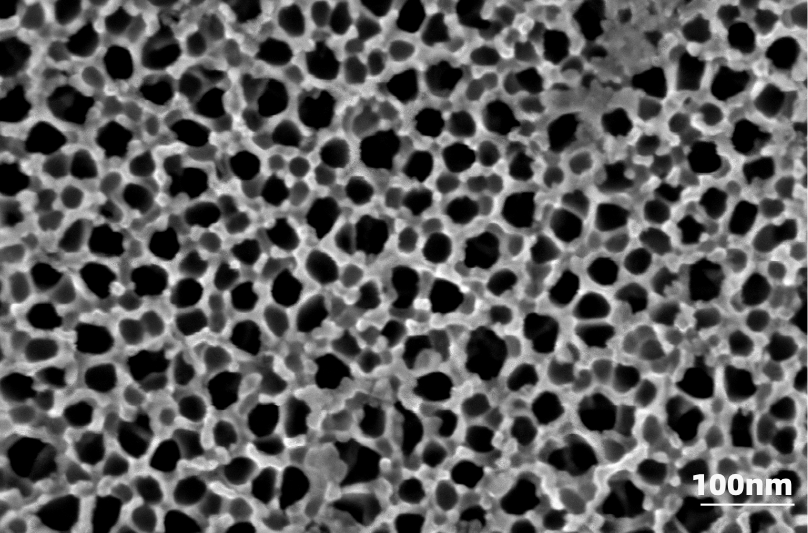
介孔二氧化硅/1 kV(Dul-Dec)/lnlens

阳极氧化铝板 /10 kV/Inlens

芯片/5 kV/BSED-COMP

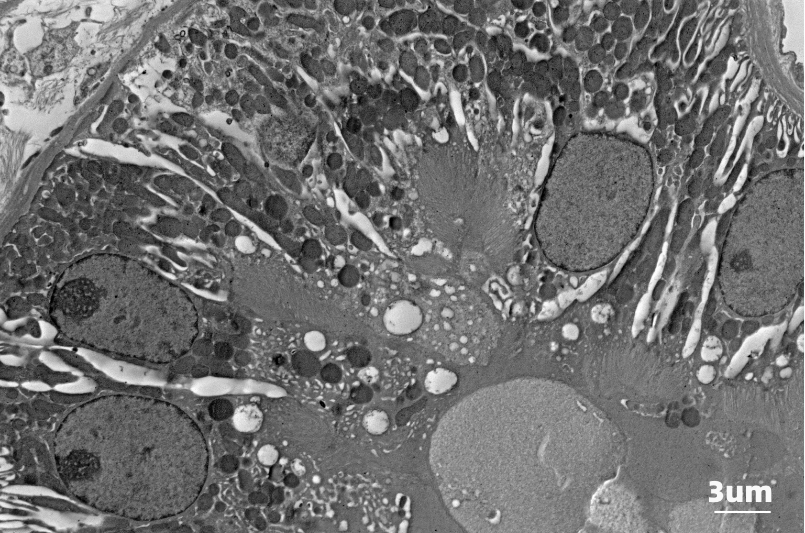
肾脏切片 /5 kV/BSED-COMP

泡沫镍/2 kV/ETD-SE

蓝宝石衬底/5 kV/ETD-SE

金颗粒/1 kV/Inlens

光刻胶/2 kV/ETD-SE

磁性粉末/10 kV/Inlens

二氧化硅球/3 kV/ETD-SE

催化剂/1 kV/ETD-SE

波导/1 kV/ETD-SE
产品参数
| 关键参数 | 分辨率 | 0.6 nm @ 15 kV,SE |
| 1.0 nm @ 1 kV,SE | ||
| 高分辨率模式最大观察视野 | ≥5mm@5kV | |
| 工作距离WD | <9mm | |
| 加速电压 | 20 V ~ 30 kV | |
| 放大倍率 | 1 ~ 2,500,000 x | |
| 电子枪类型 | 肖特基场发射电子枪,稳定性≥0.2%/h | |
| 样品室 | 真空系统 | 全自动控制 |
| 摄像头 | 双摄像头(光学导航+样品仓内监控) | |
| 图像存储分辨率 | 最大48×32k像素 | |
| 样品台类型 | 五轴优中心马达驱动样品台 | |
| 样品台行程 | X=110 mm,Y=110 mm,Z=65 mm X=130mm,Y=130mm,Z=50mm(选配) | |
T: -10°~+70°,R: 360° T=-4~70°、R=360°(旋转) (选配) | ||
| 样品舱室尺寸 | 360mm x 317mm x 310mm 支持8寸晶圆进行观察 | |
| 探测器和扩展 | 标配 | 镜筒内电子探测器 |
| 旁侧二次电子探测器(ETD) | ||
| 选配 | 插入式背散射电子探测器(BSED) | |
| 插入式扫描透射探测器(STEM) | ||
| 能谱仪(EDS) | ||
| 背散射衍射(EBSD) | ||
| 样品交换仓(4寸和8寸可选) | ||
| 轨迹球&旋钮控制板 | ||
| 样品台减速 | ||
| 磁场噪音屏蔽系统(SEMI认证) | ||
| 支持定制 | EBIC功能 | 进行吸收电流测量、吸收电流成像和电子束感生电流成像 |
| 原位加热芯片 | 结合EDS等多种不同模式,实时、动态监测样品成分演化等关键信息 | |
| 样品可见光学检测子系统 | 可实现在室温环境中对待检测样品进行光学预检查,包含5X、10X、20X、50X、100X无限远物镜,以及高清CCD相机和测量软件 | |
| 软件 | 语言 | 中文 |
| 操作系统 | Windows | |
| 导航 | 光学导航、手势快捷导航 | |
| 图像显示 | 1536x1024像素,至少2台24”LCD显示器 | |
| 图像记录 | TIFF、JPG、PNG、BMP | |
| 自动功能 | 自动亮度对比度、自动聚焦、自动像散 |







