

SEM3300是全新一代钨灯丝扫描电子显微镜,分辨率优于 2.5 nm。特殊的电子光路设计,突破钨灯丝分辨率极限,在低电 压 1 kV 下,达到 5 nm 的分辨率。 拥有出色的成像质量、在不同的视场范围下均可得到高分 辨率图像。大景深,成像富有立体感。丰富的扩展性,助您在显 微成像的世界中尽情探索。

1) 电子枪:预对中型发叉式钨灯丝电子枪
2) 分辨率:2.5 nm @ 20 kV,SE;4 nm @ 3 kV,SE;5 nm @ 1 kV,SE;4 nm @ 30 kV,BSE;
3) 加速电压范围:0.1 kV~30 kV;
4) 放大倍数范围:1 x~300000 x
主要用于形貌观察、显微结构分析、断口形貌分析,在材料、地质、矿产、冶金、机械、化学、化工、物理、电子、生物、医学等领域都有广泛的用途。

产品优势


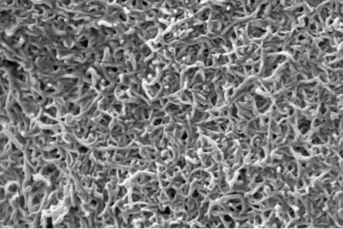
碳纳米管50,000x @1KV Inlens-SE

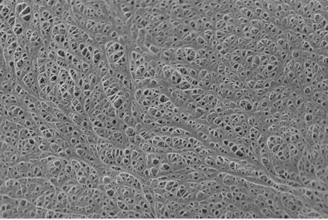
隔膜15,000 @1KV Inlens-SE

金颗粒100,000x @20KV Inlens-SE
规格书


型
科研设备丨半导体材料丨高精度检测丨清洁度检测丨激光刻蚀丨光栅刻蚀丨离子刻蚀丨等离子清洗丨半导体检验丨蔡司电镜丨材料科研丨二维刻蚀丨倾角刻蚀丨3维超景深丨扫描电镜丨失效分析丨共聚焦显微镜 XML地图