您现在所在位置:首页 > 产品中心 > 等离子清洗机

共聚焦显微镜

电子显微镜

X射线显微镜

等离子清洗机

脉冲激光沉积

多功能高温热台

核磁共振系统

刻蚀机

沉积系统

磁控溅射

电子束

其他设备

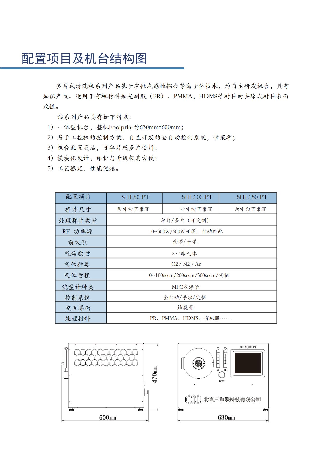
等离子清洗机台

发布日期:2022-02-24 02:49:50浏览次数:2174

等离子清洗机(plasma cleaner)也叫等离子清洁机,或者等离子表面处理仪,是一种全新的高科技技术,利用等离子体来达到常规清洗方法无法达到的效果。等离子体是物质的一种状态,也叫做物质的第四态,并不属于常见的固液气三态。对气体施加足够的能量使之离化便成为等离子状态。等离子体的“活性”组分包括:离子、电子、原子、活性基团、激发态的核素(亚稳态)、光子等。等离子清洁机就是通过利用这些活性组分的性质来处理样品表面,从而实现清洁、涂覆等目的。


010-82900840