网站首页
关于我们
企业文化
企业风采
公司资质
产品中心
共聚焦显微镜
电子显微镜
X射线显微镜
等离子清洗机
脉冲激光沉积
多功能高温热台
核磁共振系统
刻蚀机
沉积系统
磁控溅射
电子束
其他设备
技术资讯
公司资讯
行业动态
解决方案
化合物半导体
高通量样品制备
扫描电镜
共聚焦显微镜
椭偏仪
刻蚀机
离子束磁控溅射
磁控溅射
招贤纳士
联系我们
您现在所在位置:
首页
>
产品中心
>
刻蚀机
共聚焦显微镜
电子显微镜
X射线显微镜
等离子清洗机
脉冲激光沉积
多功能高温热台
核磁共振系统
刻蚀机
沉积系统
磁控溅射
电子束
其他设备
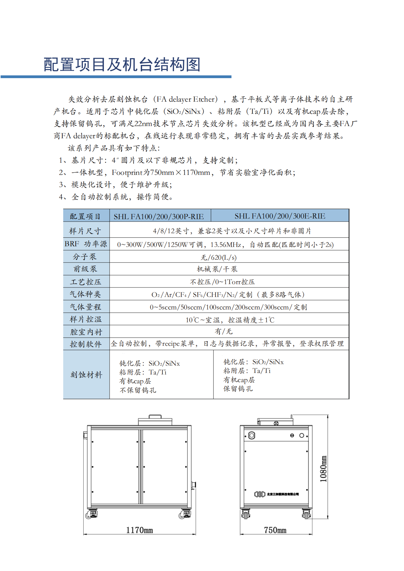
失效分析去层刻蚀机台
发布日期:2023-03-15 09:43:13
浏览次数:1791
上一篇:
感应耦合等离子刻蚀机
下一篇:没有了!
科研设备丨半导体材料丨高精度检测丨清洁度检测丨激光刻蚀丨光栅刻蚀丨离子刻蚀丨等离子清洗丨半导体检验丨蔡司电镜丨材料科研丨二维刻蚀丨倾角刻蚀丨3维超景深丨扫描电镜丨失效分析丨共聚焦显微镜
XML地图
010-82900840
微信号:13810961731
微信二维码