您现在所在位置:首页 > 技术资讯 > 行业动态

公司资讯

行业动态

图解丨蔡司 EVO 系列扫描电镜应用案例

发布日期:2023-08-09 16:04:25浏览次数:1708

蔡司 EVO 系列

模块化的 SEM 平台适用于直观操作、例行检测和研究应用

EVO系列将高性能的扫描电镜和直观的、友好的用户界面体验结合在一起, 同时能够吸引经验丰富的用户以及新用户。无论是在生命科学, 材料科学, 或例行的工业质量保证和失效分析领域,凭借广泛的可选配置, EVO 都可以根据您的要求量身定制。

生产与装配企业

· 质量分析/质量控制

· 失效分析/金相分析

· 清洁度检查

· 颗粒的形态和化学分析, 以满足 ISO 16232 VDA 19 12的标准

· 非金属夹杂物的分析

image.png

锌磷酸盐电涂层, 高真空模式下使用 SE 探测器成像

image.png

汽车座椅垫泡沫, 可变真空模式下使用BSE探测器成像,样品未喷涂导电层

image.png

不锈钢断口表面, 高真空模式二次电子成像

电子半导体

· 目视检查电子元件、集成电路、MEMS 器件和太阳能电池

· 铜丝表面及晶体结构的研究

· 金属腐蚀研究     

· 断面失效分析

· Wire bonding线脚检查

· 电容表面成像

image.png

Wire bond检查,在高真空或可变真空模式下用二次电子成像

image.png

镍层腐蚀的二次电子成像

image.png

二次电子图像观察的在电子产品上生长的晶须

钢铁和其它金属

· 对金属样品和夹杂物的结构、化学和结晶学进行成像和分析

· 相、颗粒、焊缝和失效分析

image.png

镀锌低碳钢的剖面, 使用 EVO 15 上的二次电子探测器进行成像

image.png 

 F80砂砾铝粉喷砂后的S355钢表面

image.png

采用选择性激光熔化的方法制备的钛合金 (Ti-6Al-4V)的表面, 能够看出充分熔化区域的旁边有未融化的 Ti-6Al-4V 粒子和其他材料

原材料

· 地质样品的形态、矿物学和成分分析

· 对金属、断裂和非金属夹杂物的结构进行成像和分析

· 微粉化和造粒过程中原料化学成分和活性成份的形态和成分分析

image.png

蓝片岩矿物图,样品由S. Owen 提供

image.png

赞比亚大型铜冶炼厂剩余的铜渣颗粒,样品由英国 Petrolab 提供

image.png

加拿大魁北克北部的花岗岩, 含有稀土元素, 包括贯穿样品的萤石脉和部分区域的锆石

材料科学研究

· 用于研究导电和不导电材料样品的特征

image.png

自愈合矿物的扩展和裂纹架桥网络, 形成了类似花状的水镁矿结构,在12kV下使用二次电子探测器成像

image.png

电池组件中的石墨烯泡沫结构, 在高真空下使用 二次电子探测器成像

image.png

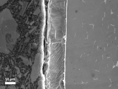
航空航天复合材料,在10 kV可变压力模式下使用 C2D 探测器成像

生命科学

· 对植物、动物和微生物的研究

image.png

叶子表面发霉的伪色图像。在20kV1°C /570Pa水蒸气条件下使用 C2DX 探测器成像

image.png

伪蝎的细节特征, 20 kV高真空模式下使用BSE成像

image.png

在接近100% 相对湿度下, 在扩展压力模式使用 C2DX 探测器成像的树花粉

司法鉴定

· 枪击残留物(GSR

· 油漆和玻璃分析

· 钞票和硬币伪造

· 头发和纤维比较

· 法医毒理学

image.png

在钨碎片上固化的熔融玻璃表明在事故发生时灯泡处于活动状态

image.png

C2D 探测器在可变压力模式下对不导电样品的优异成像, 非常适合用于法医纤维的比较

image.png

枪支套管上的撞针的标记可以用来帮助识别所使用的武器


010-82900840